磁翻板液位計怎樣接線
點擊次數:3886 發布時間:2021-06-10 01:29:08
磁翻板液位計適用于開放或壓力容器內的液體測量,可以做到高密封、防泄漏和在高溫高壓、高粘度、強腐蝕性條件下安全可靠的全過程測量液位。
磁翻板液位計接線操作注意事項有哪些? 磁翻板液位計在使用之前,要先做好磁翻板液位計的接線,如果接線接錯的話會導致測量結果不準,嚴重的將直接造成儀表的損壞,故而我們在進行接線操作的時候一定要注意。
下面就來為大家說說磁翻板液位計接線方面的一些要求和相關的注意事項等。
磁翻板液位計在進行接線操作的時候,有以下幾點需要我們大家注意:
1、配線時應避開大容量的變壓器、電動機或干擾源;
2、對于防爆型,為確保防爆性能,必須按有關規定配線;
3、擰下接線盒的接線端蓋,將電纜穿過電纜接頭,連接到24VDC兩端;
4、根據需要連接接地端子;
5、擰緊接線盒的接線端蓋。
以上就是為大家講到的有關磁翻板液位計接線方面的一些要求和注意事項,希望通過以上講述大家在今后都能夠對磁翻板液位計進行正確的接線操作等。
遠傳變送器輸出值的校準
1.按照傳感器接線圖接線,注意24伏的正負;

2、本防爆
防爆布局適用于有爆炸兇險的 環境場所
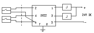
a帶本安防爆,上、下限開關輸出型 防爆開關由于干簧開關和帶繼電 器觸點的安全柵組成,可向用戶直接 提供一對常開或常閉觸點。如用戶需 更多觸點可特殊設計訂貨。接線見 圖六

b帶本安防爆遠傳型
適合使用于II類電氣裝備(工廠 用)、C級氣體,*高表面溫度組別T4 (135℃)。

c使用注意事項
1)磁翻板液位計的變送器外殼設有外接地,用戶使用時必須可靠接地。
2)安全柵的使用應遵守有關使用說明內容。
3)變送器與安全柵本安端的連接電纜為二芯屏蔽電纜,芯線截面積>0.5 mm2,電纜允許分布電容為0.8uF。
3.緩慢進水,使翻板正好翻到標尺的零位(或用戶事前設定好的位置),調節零位電位器,使電流輸出為4mA;
4.緩慢進水,使翻柱正好翻到標尺的滿度(或用戶事前設定好的位置),調節滿度電位器,使電流輸出正好為20mA; 4.重復以上步驟,直到輸出準確為止。一般出廠均為已調整過,用戶無需再調。如需調節,一般調節2至3遍即可。
其他功能性接線
電子雙色型顯示器供電系統 電熱管接線盒 顯示器為雙電源獨立供電,請務必使用產品配套的電源適配器。

電加熱供電系統

電熱管接線盒 導熱油加注方法:從電加熱層側面接管孔加注導熱油至安全線,不得低于或超過安全線。
上一篇:磁翻板液位計常見故障及解決方法
下一篇:浮球磁翻板液位計卡住的解決辦法


